Giới thiệu chi tiết Bơm thủy lực cánh gạt TOYOKEI HVP – 30/40
1. Bơm thủy lực cánh gạt trong nền công nghiệp hiện đại
Trong quá trình tự động hóa và cơ giới hóa sản xuất, hệ thống thủy lực đóng vai trò then chốt trong việc truyền tải năng lượng, điều khiển chuyển động và đảm bảo hiệu suất vận hành cho máy móc công nghiệp. Từ các nhà máy gia công cơ khí, sản xuất khuôn mẫu, ép nhựa – ép kim loại, cho đến các dây chuyền CNC hiện đại, bơm thủy lực luôn được xem là “trái tim” của toàn bộ hệ thống.
Trong số các dòng bơm thủy lực phổ biến, bơm thủy lực cánh gạt được đánh giá cao nhờ khả năng vận hành êm ái, lưu lượng ổn định và độ bền vượt trội. Đặc biệt, những dòng bơm được thiết kế cho dải áp suất trung bình đến cao luôn là lựa chọn hàng đầu cho các hệ thống yêu cầu độ chính xác và tính ổn định lâu dài. Nổi bật trong phân khúc này chính là bơm thủy lực cánh gạt TOYOKEI HVP, dòng sản phẩm được phát triển nhằm đáp ứng nhu cầu vận hành liên tục, bền bỉ và hiệu quả trong môi trường công nghiệp.
2. Thương hiệu TOYOKEI – Bảo chứng cho chất lượng thủy lực
TOYOKEI là thương hiệu chuyên sản xuất thiết bị thủy lực công nghiệp với nhiều năm kinh nghiệm trong nghiên cứu và phát triển bơm thủy lực cánh gạt, bơm cánh gạt áp suất cao và các giải pháp truyền động thủy lực tiên tiến. Các sản phẩm của TOYOKEI được sản xuất theo tiêu chuẩn kỹ thuật nghiêm ngặt, chú trọng đến độ chính xác cơ khí, khả năng chịu tải và tuổi thọ vận hành.
Nhờ sự ổn định về chất lượng và hiệu suất, bơm thủy lực công nghiệp TOYOKEI đã và đang được ứng dụng rộng rãi trong nhiều lĩnh vực công nghiệp tại Việt Nam, đặc biệt là các hệ thống máy CNC, máy ép và dây chuyền sản xuất tự động.
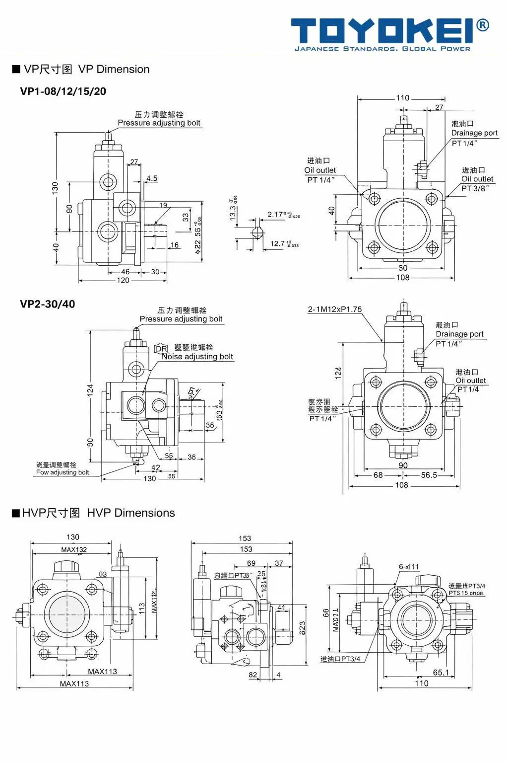
THÔNG SỐ KỸ THUẬT Bơm thuỷ lực cánh gạt TOYOKEI HVP - 30/40

3. HULOMECH – Nhà phân phối bơm TOYOKEI chính hãng tại Việt Nam
Tại thị trường Việt Nam, HULOMECH là đơn vị phân phối chính hãng các dòng bơm thủy lực TOYOKEI, trong đó có bơm cánh gạt TOYOKEI HVP chính hãng. Với đội ngũ kỹ thuật am hiểu sâu về thủy lực công nghiệp, HULOMECH không chỉ cung cấp sản phẩm mà còn tư vấn giải pháp tối ưu, giúp khách hàng lựa chọn đúng loại bơm phù hợp với từng ứng dụng cụ thể.
Việc lựa chọn bơm TOYOKEI HVP tại HULOMECH mang lại sự yên tâm về chất lượng, nguồn gốc sản phẩm cũng như dịch vụ hỗ trợ kỹ thuật lâu dài.
4. Tổng quan bơm thủy lực cánh gạt TOYOKEI HVP – 30/40
Bơm thủy lực cánh gạt TOYOKEI HVP là dòng bơm cánh gạt được thiết kế với kết cấu chắc chắn, tối ưu cho các hệ thống yêu cầu áp suất làm việc ổn định và độ bền cao. Dòng HVP – 30/40 tập trung vào hai mức lưu lượng phổ biến, đáp ứng tốt nhu cầu của các hệ thống công nghiệp quy mô vừa và lớn.
Thông tin cơ bản:
Loại bơm: Bơm thủy lực cánh gạt kép
Mã bơm: HVP – 30 / HVP – 40
Thương hiệu: TOYOKEI
Nhà phân phối: HULOMECH
Dòng HVP được đánh giá cao nhờ khả năng vận hành êm, độ ổn định lưu lượng và khả năng làm việc bền bỉ trong thời gian dài.
CATALOG Bơm thuỷ lực cánh gạt Bơm thuỷ lực cánh gạt TOYOKEI HVP - 30/40

5. Nguyên lý hoạt động của bơm thủy lực cánh gạt TOYOKEI HVP
Bơm thủy lực cánh gạt TOYOKEI HVP hoạt động dựa trên nguyên lý thay đổi thể tích buồng bơm nhờ chuyển động quay của rotor và các cánh gạt. Khi rotor quay, các cánh gạt trượt ra – vào theo rãnh, tạo thành các khoang hút và khoang đẩy dầu thủy lực.
Quá trình này giúp bơm:
Hút dầu từ thùng chứa
Tạo áp suất ổn định
Cung cấp lưu lượng đều cho hệ thống
Nhờ thiết kế tối ưu, dòng HVP được xếp vào nhóm bơm thủy lực vận hành êm, giảm rung động và tiếng ồn, phù hợp cho các nhà máy yêu cầu môi trường làm việc ổn định.
6. Thông số kỹ thuật chi tiết bơm TOYOKEI HVP 30/40
Lưu lượng danh định
HVP-30: 30 cc/vòng
HVP-40: 40 cc/vòng
Áp suất làm việc
70 – 140 bar
Áp suất tối đa
140 bar
Tốc độ vòng quay tối đa
400 – 1500 vòng/phút (rpm)
Kích thước lắp đặt
Đường kính mặt định vị: Ø95,02 mm
Tâm lỗ mặt bích: 90 x 90 mm
Những thông số này cho thấy bơm thủy lực cánh gạt TOYOKEI HVP phù hợp với nhiều hệ thống thủy lực công nghiệp yêu cầu độ bền và sự ổn định lâu dài.
7. Phân tích chi tiết từng model bơm TOYOKEI HVP
7.1 Bơm thủy lực TOYOKEI HVP-30
HVP-30 là model có lưu lượng 30cc, phù hợp cho các hệ thống bơm thủy lực cho máy CNC, máy gia công cơ khí chính xác và các dây chuyền sản xuất yêu cầu lưu lượng ổn định, áp suất trung bình.
7.2 Bơm thủy lực TOYOKEI HVP-40
HVP-40 cung cấp lưu lượng lớn hơn, thường được sử dụng làm bơm thủy lực cho máy ép, máy ép nhựa, ép kim loại và các hệ thống cần công suất cao hơn nhưng vẫn đảm bảo vận hành êm ái.
8. Ưu điểm nổi bật của bơm thủy lực cánh gạt TOYOKEI HVP
Lưu lượng ổn định, ít dao động
Khả năng chịu áp suất tốt
Độ bền cơ khí cao
Vận hành êm, ít tiếng ồn
Dễ lắp đặt và bảo trì
Nhờ những ưu điểm này, bơm cánh gạt áp suất cao TOYOKEI luôn được các kỹ sư và nhà máy tin dùng.
9. Ứng dụng thực tế của bơm thủy lực TOYOKEI HVP
Bơm thủy lực cho máy CNC
Bơm thủy lực cho máy ép nhựa, ép kim loại
Dây chuyền sản xuất tự động
Hệ thống thủy lực công nghiệp yêu cầu độ bền cao
10. So sánh bơm HVP với các dòng bơm cánh gạt khác
So với các dòng bơm thông thường, bơm thủy lực cánh gạt TOYOKEI HVP nổi bật nhờ khả năng vận hành ổn định trong dải áp suất trung bình, độ ồn thấp và tuổi thọ cao, giúp giảm chi phí bảo trì cho doanh nghiệp.
11. Hướng dẫn lựa chọn bơm TOYOKEI HVP phù hợp
Khi lựa chọn bơm, khách hàng nên cân nhắc:
Nhu cầu lưu lượng thực tế
Áp suất làm việc của hệ thống
Điều kiện môi trường vận hành
Không gian lắp đặt
HULOMECH luôn sẵn sàng hỗ trợ tư vấn kỹ thuật chi tiết.
12. Hướng dẫn lắp đặt và bảo trì bơm thủy lực cánh gạt HVP
Sử dụng dầu thủy lực sạch, đúng tiêu chuẩn
Lắp đặt đúng tâm trục, tránh rung lắc
Kiểm tra định kỳ áp suất và nhiệt độ
Thay dầu và bảo dưỡng theo khuyến nghị
13. Vì sao nên chọn bơm TOYOKEI HVP tại HULOMECH?
Sản phẩm chính hãng 100%
Giá cả cạnh tranh
Tư vấn kỹ thuật chuyên sâu
Dịch vụ hậu mãi uy tín
14. Thông tin liên hệ
CÔNG TY HULOMECH
Website: https://hulo.vn
Email: contact@hulomech.com
Điện thoại: 0961.845.888
HULOMECH – Đối tác tin cậy cung cấp bơm thủy lực cánh gạt TOYOKEI HVP cho các hệ thống công nghiệp hiện đại.







Xi Lanh Thủy Lực