- Theo lực tác động
- Xi lanh thủy lực 2 tấn
- Xi lanh thủy lực 3 Tấn
- Xi lanh thủy lực 5 Tấn
- Xi lanh thủy lực 8 Tấn
- Xi lanh thủy lực 10 tấn
- Xi lanh thủy lực 12 Tấn
- Xi lanh thủy lực 15 Tấn
- Xi lanh thủy lực 20 Tấn
- Xi lanh thủy lực 25 Tấn
- Xi lanh thủy lực 30 Tấn
- Xi lanh thủy lực 40 Tấn
- Xi lanh thủy lực 50 Tấn
- Xi lanh thủy lực 60 Tấn
- Xi lanh thủy lực 70 Tấn
- Xi lanh thủy lực 80 Tấn
- Xi lanh thủy lực 100 Tấn
- Xi lanh thủy lực 120 Tấn
- Xi lanh thủy lực 150 Tấn
- Xi lanh thủy lực 180 Tấn
- Xi lanh thủy lực 200 Tấn
- Xi lanh thủy lực 250 Tấn
- Xi lanh thủy lực 280 Tấn
- Xi lanh thủy lực 300 Tấn
- Xi lanh thủy lực giá tốt (HULO Series)
- Xi lanh thủy lực phôi Đài Loan, gioăng phớt Nhật 3 – 500 tấn (HGCG Series)
- Xi lanh thủy lực ISO 6020
- Xi lanh tầng thủy lực
8. Kết luận
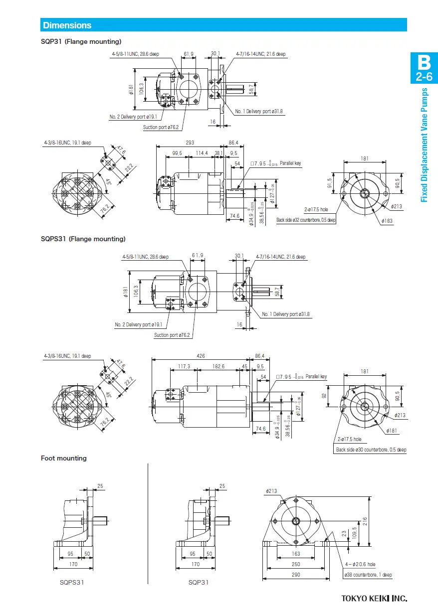
Bơm cánh gạt thủy lực SQP(S)31 (bơm kép) của Tokimec/Tokyo Keiki là một giải pháp lý tưởng cho các hệ thống thủy lực công nghiệp. Với những đặc điểm vượt trội về hiệu suất, độ bền, và khả năng tiết kiệm năng lượng, sản phẩm này xứng đáng là lựa chọn hàng đầu cho các doanh nghiệp muốn nâng cao hiệu quả sản xuất và tiết kiệm chi phí vận hành. Hãy liên hệ với HULOMECH để sở hữu ngay sản phẩm này và trải nghiệm những lợi ích mà bơm SQP(S)31 mang lại
Xi Lanh Thủy Lực









